Chưa có bình luận nào
NHẬN TƯ VẤN TỪ KIM QUỐC TIẾN
Liên hệ showroom gần nhất
sản phẩm đã bán trong tháng
Sản phẩm đang có 10 người xem
Giá bán tại hệ thống:
3.818.000 ₫
(Giá Đã Gồm VAT)Giá chưa giảm:
5.000.000 ₫
-24%
còn 100 hàng
Giao hàng nhanh chóng
Đảm bảo 100% chính hãng
Lắp đặt chuẩn xác
Giá tốt - hàng tốt
Vòi lavabo Inax LFV-4102S được làm bằng đồng mạ crom nguyên chất. Nó mang đến vẻ đẹp sáng bóng cũng như độ bền chắc cho sản phẩm. Một ưu điểm lớn ở đây nữa đó là giá thành sản phâm khá bình dân nhưng chất lượng lại chuẩn Nhật. Để có thể biết thêm thông tin về thiết bị phòng tắm này, bạn hãy cùng chúng tôi tìm hiểu bài viết sau nhé!
Danh mục: Thiết Bị Vệ Sinh | Vòi Lavabo | Vòi Lavabo INAX | Vòi Lavabo Nóng Lạnh Inax
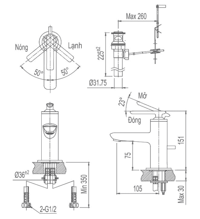
Dưới đây là bản vẽ kĩ thuật của sản phẩm. Quí khách hàng có thể sử dụng để biết thêm thông tin cũng như giúp cho việc sử dụng dễ dàng hơn.

Nếu bạn muốn tìm hiểu và mua thêm nhiều thiết bị nhà vệ sinh INAX chính hãng 100% với giá tốt? Vậy thì đừng ngần ngại hãy nhanh chóng liên hệ ngay với công ty Kim Quốc qua hotline 1900 571 590 hoặc địa chỉ sau để được hỗ trợ nhé.
SẢN PHẨM ĐÃ XEM

còn 100 hàng
NHẬN TƯ VẤN TỪ KIM QUỐC TIẾN
Quý khách hàng vui lòng điền thông tin theo form dưới đây để được hỗ trợ tư vấn.
Bộ phận CSKH bên Kim Quốc Tiến sẽ hỗ trợ tư vấn trong thời gian sớm nhất.
Thông Tin Đặt Hàng
Review Vòi Lavabo INAX LFV-4102S Nóng Lạnh
Chưa có đánh giá nào.